Технологом предприятия ООО «ВОДТЕХ» разработана предпроектная документация по объекту «Реконструкция на очистных сооружениях канализации г. Дзержинск Минской области» производительностью 4129 м3/сут.
Предпроектная документация включает в себя проработку нескольких вариантов технологических решений очистки сточных вод и обработки осадков с последующим технико-экономическим сравнением, выбором оптимального пути для капитального строительства.
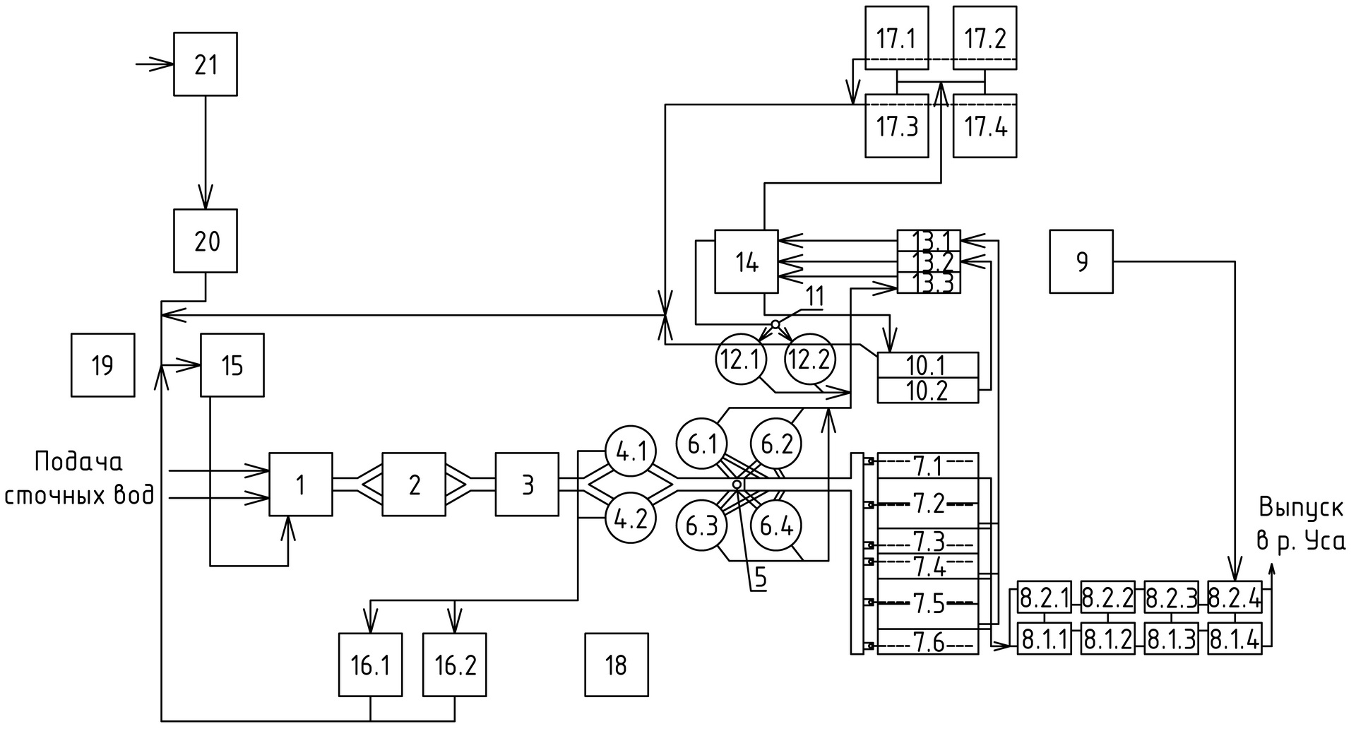
На очистные сооружения канализации г. Дзержинск поступают смешанные сточные воды от города в объёме, с учётом перспективного развития, 4129 м3/сут. Очистные сооружения включают в себя предварительную механическую очистку, пескоулавливание, первичное отстаивание, биологическую очистку, обеззараживание, а также узлы обработки осадков. На момент разработки документации очистные сооружения нуждались в полной реконструкции в виду физического износа, а также несоответствия технологической схемы современным требованиям к очистке.
Технические и технологические решения предпроектной документации легли в основу строительного проекта, по которому впоследствии выполнена масштабная реконструкция всех сооружений на площадке. После проведённой реконструкции очистные сооружения функционируют, обеспечивая стабильное достижение нормативных требований к качеству очищенных сточных вод.

