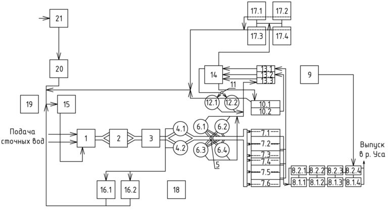
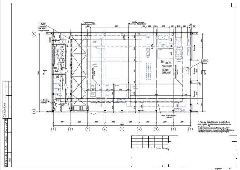
Проектная документация – КОС клинического госпиталя «Лапино», Московская обл., 275 м3/сут (2025 – 2026)
Предприятием ООО «ВОДТЕХ» разработаны разделы проектной документации по объекту «Учебный корпус в составе клинического госпиталя «Лапино» производительностью 275 м3/сут. Проектируемые…

