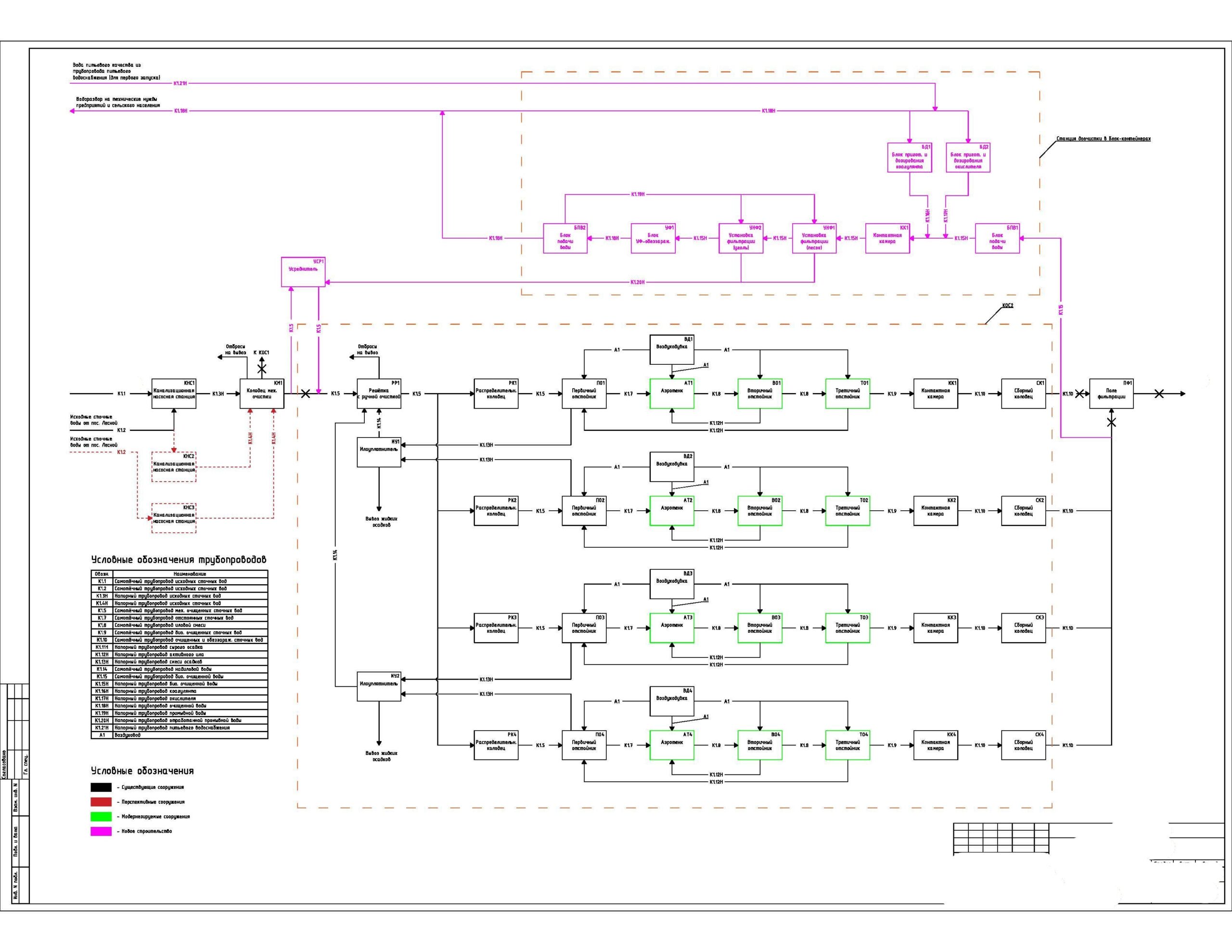
Предприятием ООО «ВОДТЕХ» выполнено технологическое обследование канализационных очистных сооружений посёлка Лесной Калининградской области.
На очистные сооружения поступают хозяйственно-бытовые сточные воды от гостиничного комплекса, а также населения самого посёлка. Целью обследования являлось составление «технического паспорта» объекта: технологическая схема очистки сточных вод и обработки осадков, технологические параметры сооружений и оборудования. Расчётное определение максимальной производительности очистных сооружений с учётом фактических исходных данных. Разработка рекомендаций по повышению эффективности работы сооружений. Разработка вариантов реконструкции очистных сооружений с их экономической оценкой.









